Een team van Italiaanse wetenschappers ontwierp Greencube, de eerste microtuin die tijdens toekomstige ruimtemissies groenten zal verbouwen. Het wordt gelanceerd in een baan om de aarde op 6.000 km afstand tijdens de eerste reis van de Vega-C-raket door de Europese Ruimtevaartorganisatie (ESA).
Enea, Universiteit Federico II in Napels en Universiteit La Sapienza in Rome nemen deel als coördinatoren en partners van een overeenkomst met het Italiaanse ruimtevaartagentschap (ASI).
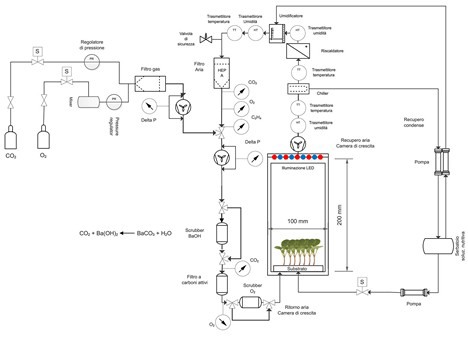
Microgreens Greencube tekening (Klik om te vergroten)
Het prototype (zie onderstaande foto) meet 30x10x10 cm en voorziet in hydrocultuurgewassen met een gesloten cyclus die een volledige groeicyclus kunnen garanderen van microgroenten die zijn geselecteerd uit de meest geschikte om extreme buitenaardse omstandigheden te doorstaan.

Het project maakt deel uit van de missie van Enea om de resultaten van wetenschappelijk onderzoek toe te passen met het oog op een duurzame economische ontwikkeling. In dit geval hebben ze infrastructuren en vaardigheden ontwikkeld voor de teelt van verse groenten in gesloten, afgelegen omgevingen die worden omringd door extreme omstandigheden, zoals die in de ruimte.
Luca Nardi
"Dit experiment zal helpen om een volledig geautomatiseerd teeltsysteem te creëren dat geïntegreerd is met sensoren en niet-destructieve diagnosetechnieken. Dit is mogelijk gemaakt dankzij de medewerking van luchtvaartingenieurs, agronomen en biologen", legt Luca Nardi, onderzoeker in het Enea-lab, uit.
"Veel van het onderzoek in de ruimte is toegepast op het dagelijks leven. In dit geval proberen we producten van hoge kwaliteit te kweken in een kleine omgeving en in extreme vijandige omstandigheden door zorgvuldig middelen te meten en tegelijkertijd de gezondheidstoestand van planten op afstand te analyseren."
Het Greencube project werd gefinancierd door ASI. De satelliet werd volledig gebouwd door een groep jonge ruimtevaartingenieurs: Paolo Marzioli, Federico Curianò, Lorenzo Frezza, Diego Amadio en Luca Gugliermetti gecoördineerd door Enea en de twee voornoemde universiteiten. Dit platform zal ook worden gebruikt om teeltsystemen in een stedelijke omgeving op te zetten.
Tekening Microgreens Greencube fotosynthese diagram
"De uitgevoerde studies zijn erop gericht om ook in de steden (stadstuinbouw) met behulp van alle beschikbare ruimte producten in kleine hoeveelheden te verbouwen, mede dankzij de ontwikkelde systemen en de toepassing van slimme tuinbouwtechnieken. De afwezigheid van grond en de onmogelijkheid om direct zonlicht te gebruiken maken deze uitdaging echt moeilijk."
"In de overdekte tuinbouwfaciliteiten kunnen kwekers zorgvuldig gebruik maken van hulpbronnen zoals water, meststoffen en energie, terwijl afval wordt verminderd en menselijk en plantaardig afval wordt gerecycled dankzij de degradatiewerking van micro-organismen. Dit vormt een integraal onderdeel van de studie die aan de basis ligt van levensondersteunende bioregeneratieve systemen. Het zijn echte kunstmatige ecosystemen waarin planten, micro-organismen en mensen met elkaar in contact komen. Deze systemen zullen in de toekomst meer en meer worden gebruikt om lokaal en in een gesloten omgeving voedsel te produceren, waarbij het milieu wordt gerespecteerd en de teelt niet wordt beïnvloed door het klimaat en ongunstige weersomstandigheden."
Ademhalingsdiagram
"We hebben gekozen voor micro-groenten zoals kool om hun reactie op de extreme stresscondities die worden veroorzaakt door straling, micro-zwaartekracht en verminderde druk te beoordelen. De vergelijking tussen de resultaten, die in de ruimte en op aarde worden verkregen, zal van cruciaal belang zijn om de mogelijkheid te beoordelen om microgroenten te gebruiken als vers, zeer voedzaam voedsel in toekomstige ruimtemissies."
Overweegt Enea het patenteren van nieuwe rassen? "Niet in dit geval, want we zullen commerciële variëteiten gebruiken. We hebben het wel gedaan in het kader van het door ASI gefinancierde Bioxtreme-project, waarbij we microtomaten hebben ontwikkeld voor de productie van anthocyanen in planten om de plant zelf te beschermen en deze krachtige natuurlijke antioxidanten aan de astronauten te leveren."
Bron: hortspace.enea.it